随着5G-Advanced与低轨卫星互联网的演进,大规模相控阵、超大规模MIMO等尖端技术正推动通信系统走向极致集成与软件定义。射频前端芯片的性能、能效,成为技术突破的决定性因素。
为响应这一时代需求,振芯科技正式推出全新一代高集成度宽带射频收发器——GM4026N。

核心规格:定义高性能射频收发新基准
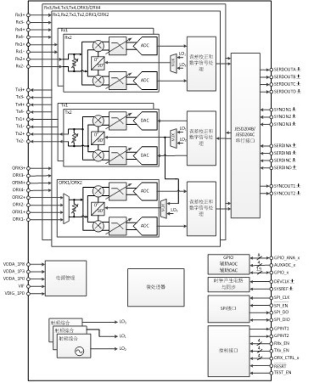
GM4026N集成了4个差分发射通道、4个差分接收通道以及2个独立的观测接收通道(各具双路输入)。
其核心射频性能如下:
超宽频覆盖:支持100MHz至6300 MHz的连续频率范围,全面兼容Sub-6GHz全球频谱规划。
大带宽能力:接收与发射信号带宽均高达400 MHz,观测通道带宽高达450 MHz,满足5G/5G-A方案,卫星通信方案对大带宽需求。
高集成度设计:芯片内部集成了独立的小数N分频频率合成器,并集成优秀的校准算法,实现业界领先的镜像抑制和直流抑制能力。
卓越的功耗控制:在提供顶级性能的同时,其优秀的设计和先进的工艺使其功耗表现已完全媲美并达到国际同类型先进芯片水准。
该芯片原生支持FDD与TDD双工模式,可无缝适配蜂窝网全系通信标准,帮助设备厂商大幅降低系统的功耗、尺寸、重量与综合成本。

GM4026N芯片功能框图

芯片测试平台
先进突破:聚焦需求,成就卓越
GM4026N在关键领域实现了面向未来的突破:
1、业界领先的超快跳频能力:针对通信及抗干扰的苛刻需求,芯片采用创新性的设计,实现高达每秒数万跳的极速跳频。
2、面向未来的超宽带能力:为应对5G-Advanced与低轨卫星通信对数据速率的极限追求,芯片支持最高400MHz的瞬时带宽。这为更宽的载波聚合、高速毫米波回传以及卫星宽带载荷提供了关键的射频硬件支撑,直接满足客户对系统容量和吞吐量的前瞻性需求。
应用前景:从地面网络到空天一体
GM4026N以高集成、大带宽、超低功耗的核心特性,精准赋能蜂窝网通信基础设施演进,为不同场景带来直接收益:
赋能宏站与大规模MIMO:其高集成多通道(4T4R) 与同步能力,是构建大规模阵列的基石,显著降低AAU尺寸、重量与功耗;400MHz瞬时带宽则有力支持多频段聚合,提升单站容量。
匹配小基站严苛需求:芯片的超低功耗与高集成度,直接应对小站对体积、散热和供电的限制,降低设备开发难度与运营商网络运营成本(OPEX)。
开拓5G-A通感一体新边界:GM4026N芯片具有多通道、大带宽与高集成特性,天然支持通信感知一体化,为网络赋予高精度环境感知与定位新能力,开拓业务新场景。
立足于深厚的通信底色,GM4026N的舞台远不止于地面网络。在卫星通信与低空经济这片更广阔的蓝海中,它正成为实现关键连接的核心引擎,展现出巨大潜力。
在卫星通信领域:GM4026N的超宽频段与大带宽特性,完美契合低轨卫星通信终端对多频段、高速率的数据中继需求。其高集成度有助于实现终端设备的小型化与低成本,为手机直连卫星、动中通地球站等应用提供核心硬件支撑。同时,优秀的功耗控制对依赖电池的便携式终端至关重要。
在低空经济领域:无人机与eVTOL(电动垂直起降飞行器)等面临着功耗严苛、载荷空间受限及对高带宽实时数据需求迫切的核心痛点。GM4026N凭借其超低功耗与高集成度的芯片设计,有效降低了系统功耗与占板面积,为飞行器节省了宝贵的载荷空间并延长了续航;其高达400MHz的瞬时带宽能力,能够同时支持密集无人机群的可靠控制链路与高清实时图传,满足超视距飞行与协同作业的需求;此外,该芯片可用于构建小型化相控阵雷达感知系统,实现精准避障与智能航线规划,而其每秒数万次的快速跳频能力,更能强力应对复杂低空环境的电磁干扰,为飞行安全提供坚实的底层通信保障。
共创未来:携手定义连接新范式
GM4026N不仅是一颗射频收发芯片,更是振芯科技为地面、空中、太空一体化连接时代提供的自主答案。它将凭借优秀的性能,成为保障通信安全,支撑数字经济发展的基石。
我们坚信,技术价值在于普惠。诚邀各方伙伴,以此芯为基,在5G-A、低空经济与卫星互联网的浪潮中协力前行。让我们共同筑牢数字中国的底座,让先进连接技术真正造福社会,携手开创智能、高效、自主的未来。